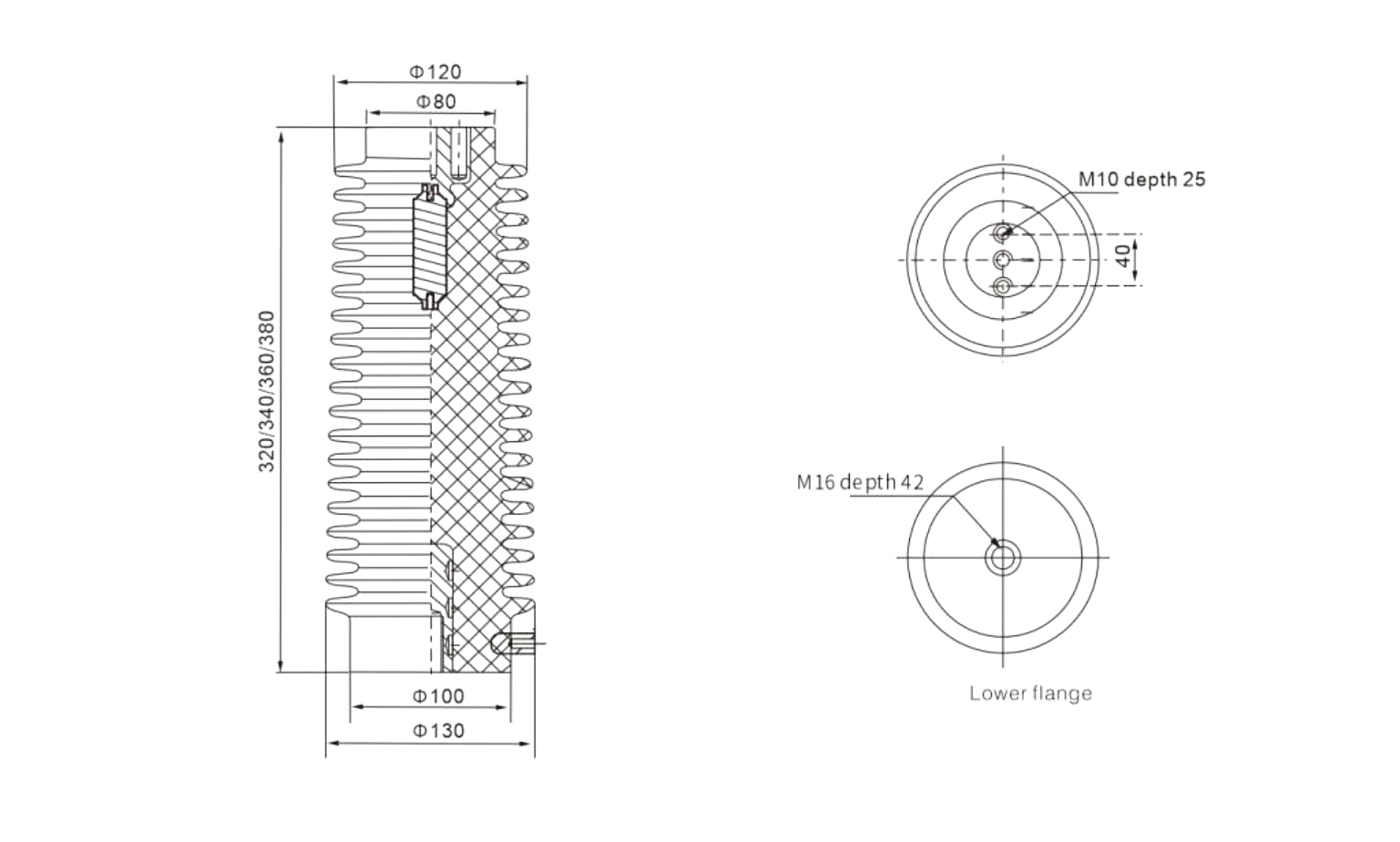
CG5-40.5kV/130x320-340-360-380Sensor

Company Address:
15-16F, Xianghe International Building,
No.530 Kuntai Road, Kunshan City,
Jiangsu Province, China.
Market Cooperation:
Manager Wu: 400-007-8608
Search
Copyright © 2022 Suzhou Xiangyun Platform Information Technology Co., Ltd
Este sitio web utiliza cookies para garantizar que obtenga la mejor experiencia en nuestro sitio web.